1. Инструкция по эксплуатации
2. Регулировка и текущее техническое обслуживание
3. Двигатель
4. Переборка двигателя
5. Системы охлаждения, отопления и кондиционирования воздуха
6. Система питания и выпуска отработавших газов
7. Электрооборудование двигателя
8. Системы снижения токсичности выхлопов
9. Механическая коробка передач
9.0 Механическая коробка передач
9.1 Технические характеристики
9.2 Общее описание
9.3 Механизм управления механической коробкой передач - снятие, установка и регулировка
9.4 Механическая коробка передач - снятие и установка
9.5 Переборка механической коробки передач - общее описание
10. Автоматическая коробка передач
11. Сцепление и полуоси
12. Тормозная система
13. Подвеска и рулевое управление
14. Кузов
15. Электрооборудование кузова
Ссылки на другие сайты
|
Все автомобили »
Mitsubishi Colt (Митсубиси Кольт)
.
9.3 Механизм управления механической коробкой передач - снятие, установка и регулировка
9.3. Механизм управления механической коробкой передач - снятие, установка и регулировкаС соединительными тягами
1. Снимите рукоятку рычага переключения передач и центральную консоль
2. Снимите нижний воздушный патрубок и открутите гайки кронштейна рычага, если необходимо.
3. Поднимите автомобиль и установите его на опорах.
|
2.4а Элементы механизма переключения передач моделей Cordia/Tredia с механической коробкой передач
1. Рычаг переключения передач
2. Чехол
3. Изолятор
4. Опора
5. Пылезащитный чехол
6. Резиновая изоляция
7. Удлинительная тяга
8. Втулка
9. Пылезащитный чехол
10. Проволока
11. Установочный винт
12. Переключающая тяга
|
|
2.4б Элементы механизма переключения передач моделей Colt, Lancer, Mirage и Precis с механической коробкой передач
1. Рукоятка
2. Рычаг переключения передач
3. Чехол
4. Изолятор
5. Втулка
6. Резиновый изолятор
7. Пылезащитный чехол
8. Удлинительная тяга
9. Втулка
10. Установочный винт
11. Переключающая тяга
12. Проволока
13. Пылезащитный чехол
|
4. Открутите болт и отсоедините удлинительную тягу от коробки передач (2.4а и 2.4б).
5. Снимите проволочку с установочного винта, открутите винт и открутите переключающую тягу от коробки передач
6 Снимите теплозащитный экран, если необходимо
7 Снимите удлинительную и переключающую тягу
8. Установка проводится в обратном порядке снятия.
С тросиковым соединительным механизмом
Снятие
|
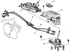
2.9а Элементы тросикового механизма переключения передач моделей Colt, Lancer, Mirage и Precis
1. Рукоятка рычага переключения
передач
2. Полка центральной консоли
3. Задняя консоль
4. Центральная консоль
5. Крепление
6. Переключающий тросик
7. Тросик выбора передачи
8. Рычаг переключения передач
|
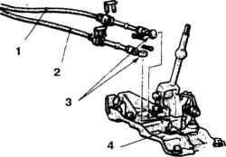
9. Снимите рукоятку рычага переключения передач и центральную консоль. Проверьте, чтобы рычаг переключения передач и рычаги на коробке передач находились в положении нейтральной передачи. Достаньте чеки и зажимы и отсоедините тросики от рычагов (2.9а и 2.9б).
|
2.9б Элементы тросикового механизма переключения передач модели Galant
|
10. Открутите болты и гайки и снимите крепления тросиков.
11. В двигательном отсеке достаньте чеки и зажимы и отсоедините тросики от коробки передач.
12. Снимите тросики.
Установка
|
2.13а Элементы крепления тросика к рычагу переключения передач - рычаг В должен быть в положении нейтральной передачи
1 Переключающий тросик
2. Тросик выбора передачи
3. Скошенная сторона втулка
4. Рычаг В
|
|
2.13б Отрегулируйте длину тросика, вращая гайки
1. Регулировочные гайки
|
13. Подсоедините тросики к рычагу (2.13а и 2.13б), проверив, чтобы он находился в положении нейтральной передачи.
14. Подсоедините тросики к коробке передач и установите крепления.
|
2.15 Расстояние А и В на обеих сторонах рычага переключения передач должны быть одинаковы
|
15. После установки расстояние А и В с обеих сторон рычага переключения передач должно быть одинаковым (2.15). Если нет, отрегулируйте длину тросика
|

|